Zurück   www.sondersignalanlagen.com > Dachbalken > Hella RTK + OWS
Kennwort vergessen?

Hinweise

 
 
Themen-Optionen Ansicht
Prev Vorheriger Beitrag   Nächster Beitrag Next
Alt 18.01.2010, 16:31   #1
planschkuh

gesperrter Benutzer!
 
Name: Uwe
Registriert seit: 19.09.2009
Ort: Mainaschaff, Bahnhofstraße 42
Beiträge: 1.526
Standard ASG Anschluss

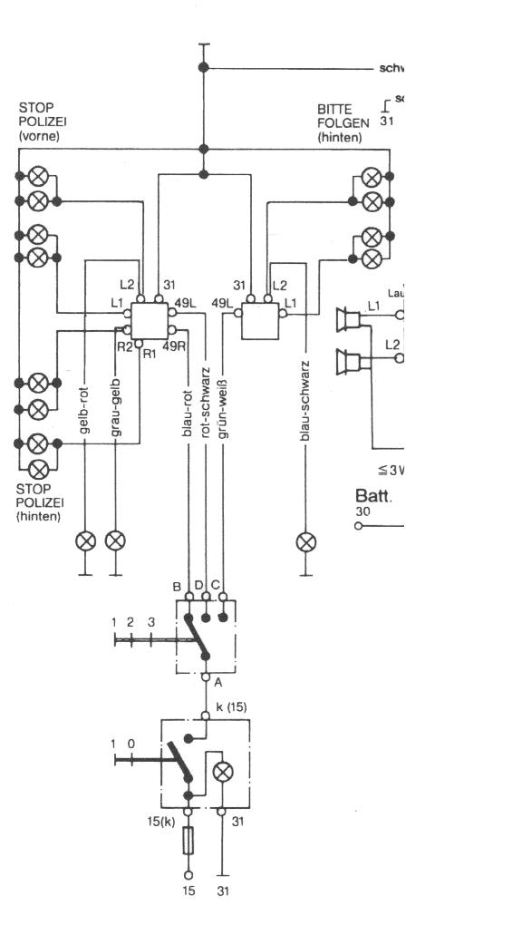
hallo liebes forum,

habe am samstag meiner RTK4 bekommen, (3 ASGs) allerdings war der Kabelbaum mehr als am Ende (ich frag mich schon die ganze zeit wie es dazu kommt das innerhalb eines geschlossenen gehäuses kabelbrüche entstehen können)

also, Kabelbaum raus, neue Drähte rein. Soweit auch kein Problem, nur weis ich jetzt nicht welches Kabel von den ASGs an welchen Anschluss am Taktgeber muss und wie die Taktgeber weiter verkabelt werden.

Kann mir da jemand helfen? hab im moment leider nur inet zugang über mein Handy (sch... Telekom) und die SuFu tut auch nicht wie sie soll deshalb.

Danke schonmal, und wenn weitere Fragen aufkommen werde ich mich wieder melden.
planschkuh ist offline   Privat Nachricht senden Mit Zitat antworten
 


Forumregeln


Alle Zeitangaben in WEZ +2. Es ist jetzt 16:47 Uhr.

Powered by vBulletin® Version 3.8.11 (Deutsch)
Copyright ©2000 - 2025, Jelsoft Enterprises Ltd.