Zurück   www.sondersignalanlagen.com > Dachbalken > Hella RTK + OWS
Kennwort vergessen?

Hinweise

Antwort
 
Themen-Optionen Ansicht
Alt 19.04.2010, 19:10   #1
mariuspyonline

Gold-Mitglied
 
Benutzerbild von mariuspyonline
 
Name: Marius
Registriert seit: 27.07.2009
Ort: Mulhouse
Beiträge: 4.201
Standard Eintastung Horndruckknopf

Ich hab da mal eine Frage ,

Wird der Horndruckknopf der RTK 6 für die Klangfolgebereitschaft mit + oder - eingetastet? Ich kann im Handbuch und im Forum nix dazu finden...

Yannic meint+...




mariuspyonline ist offline   Privat Nachricht senden Mit Zitat antworten
Alt 19.04.2010, 19:34   #2
Yannic-Paderborn

Gold-Mitglied
 
Name: Yannic
Registriert seit: 18.10.2008
Ort: Halle (Westf.)
Beiträge: 3.244
Standard

Zitat:
Zitat von mariuspyonline Beitrag anzeigen
Yannic meint+...
Das gilt für die RTK 4 :P

Zur RTK 6 hab ich garnichts gesagt.

Geändert von Yannic-Paderborn (19.04.2010 um 19:39 Uhr).
Yannic-Paderborn ist offline   Privat Nachricht senden Mit Zitat antworten
Alt 19.04.2010, 19:35   #3
techniker

Gold-Mitglied
 
Benutzerbild von techniker
 
Name: Wilhelm
Registriert seit: 05.01.2008
Ort: BY, Opf.
Beiträge: 4.511
Standard

Je nach Beschaltung..
Miniaturansicht angehängter Grafiken
Klicke auf die Grafik für eine größere Ansicht

Name:	19-04-2010_183146.jpg
Hits:	689
Größe:	77,3 KB
ID:	7069  




Never change a running system - never run a changed system!
techniker ist offline   Privat Nachricht senden Mit Zitat antworten
Alt 19.04.2010, 19:56   #4
mariuspyonline

Gold-Mitglied
hat dieses Thema eröffnet
 
Benutzerbild von mariuspyonline
 
Name: Marius
Registriert seit: 27.07.2009
Ort: Mulhouse
Beiträge: 4.201
Standard

Zitat:
Zitat von techniker Beitrag anzeigen
Je nach Beschaltung..
Und das heißt? Ich möchte nur wissen ob ich A3 mit - oder + eintasten muss damit eine Tonfolge abläuft...




mariuspyonline ist offline   Privat Nachricht senden Mit Zitat antworten
Alt 19.04.2010, 20:00   #5
fritz graupe

Gold-Mitglied
 
Benutzerbild von fritz graupe
 
Name: Peter Nr. 13
Registriert seit: 10.11.2003
Ort: Moers
Beiträge: 3.084
Standard

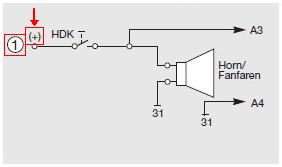
Steht doch da, A 3 auf 31, also Masse.

Nur einmal sitzt der Schalter ( Horndruckknopf ) in der
Masseleitung oder Plusleitung.
fritz graupe ist offline   Privat Nachricht senden Mit Zitat antworten
Alt 19.04.2010, 20:02   #6
techniker

Gold-Mitglied
 
Benutzerbild von techniker
 
Name: Wilhelm
Registriert seit: 05.01.2008
Ort: BY, Opf.
Beiträge: 4.511
Standard

..und mit A4 wählst du aus, welche Logik du haben möchtest..




Never change a running system - never run a changed system!
techniker ist offline   Privat Nachricht senden Mit Zitat antworten
Alt 19.04.2010, 20:03   #7
mariuspyonline

Gold-Mitglied
hat dieses Thema eröffnet
 
Benutzerbild von mariuspyonline
 
Name: Marius
Registriert seit: 27.07.2009
Ort: Mulhouse
Beiträge: 4.201
Standard

Zitat:
Zitat von fritz graupe Beitrag anzeigen
Steht doch da, A 3 auf 31, also Masse.

Nur einmal sitzt der Schalter ( Horndruckknopf ) in der
Masseleitung oder Plusleitung.
Aber hier steht was anderes!

Name:  +eintastung.JPG
Hits: 1309
Größe:  5,7 KB




mariuspyonline ist offline   Privat Nachricht senden Mit Zitat antworten
Alt 19.04.2010, 20:03   #8
fritz graupe

Gold-Mitglied
 
Benutzerbild von fritz graupe
 
Name: Peter Nr. 13
Registriert seit: 10.11.2003
Ort: Moers
Beiträge: 3.084
Standard

Zitat:
Zitat von Yannic-Paderborn Beitrag anzeigen
Das gilt für die RTK 4 :P
Für die RTK 4 gilt das auch, sowohl als auch.
Ändert sich nur durch die Belegung des Kontaktes 86
am Verstärker. Ist der auf Plus ist die Eintastung auf Masse,
liegt der auf Masse , ist die Eintastung Plus.

Geändert von fritz graupe (19.04.2010 um 20:07 Uhr).
fritz graupe ist offline   Privat Nachricht senden Mit Zitat antworten
Alt 19.04.2010, 20:05   #9
techniker

Gold-Mitglied
 
Benutzerbild von techniker
 
Name: Wilhelm
Registriert seit: 05.01.2008
Ort: BY, Opf.
Beiträge: 4.511
Standard

Also mal ganz einfach: Wenn A4=12V, dann wird mit Masse an A3 getastet. Und wenn A4=Masse, dann wird mit 12V an A3 getastet..




Never change a running system - never run a changed system!
techniker ist offline   Privat Nachricht senden Mit Zitat antworten
Alt 19.04.2010, 20:06   #10
mariuspyonline

Gold-Mitglied
hat dieses Thema eröffnet
 
Benutzerbild von mariuspyonline
 
Name: Marius
Registriert seit: 27.07.2009
Ort: Mulhouse
Beiträge: 4.201
Standard

Also , wenn ich jetzt also A3 mit Masse Tasten will , muss ich dann automatisch A4 auf + setzten , und anders rum genauso ?




mariuspyonline ist offline   Privat Nachricht senden Mit Zitat antworten
Alt 19.04.2010, 20:06   #11
fritz graupe

Gold-Mitglied
 
Benutzerbild von fritz graupe
 
Name: Peter Nr. 13
Registriert seit: 10.11.2003
Ort: Moers
Beiträge: 3.084
Standard

Zitat:
Zitat von mariuspyonline Beitrag anzeigen
Aber hier steht was anderes!

Anhang 7070
Siehe Antwort Techniker, der lebt von der Genauigkeit.

----------

Zitat:
Zitat von mariuspyonline Beitrag anzeigen
Also , wenn ich jetzt also A3 mit Masse Tasten will , muss ich dann automatisch A4 auf + setzten , und anders rum genauso ?
Jetzt hat er es.
fritz graupe ist offline   Privat Nachricht senden Mit Zitat antworten
Alt 19.04.2010, 20:07   #12
mariuspyonline

Gold-Mitglied
hat dieses Thema eröffnet
 
Benutzerbild von mariuspyonline
 
Name: Marius
Registriert seit: 27.07.2009
Ort: Mulhouse
Beiträge: 4.201
Standard

Zitat:
Zitat von techniker Beitrag anzeigen
Also mal ganz einfach: Wenn A4=12V, dann wird mit Masse an A3 getastet. Und wenn A4=Masse, dann wird mit 12V an A3 getastet..
*Bling*

Ok , danke!!
Ich wusste bis gerade eben nicht das A3 von A4 abhängig ist...




mariuspyonline ist offline   Privat Nachricht senden Mit Zitat antworten
Alt 19.04.2010, 20:07   #13
techniker

Gold-Mitglied
 
Benutzerbild von techniker
 
Name: Wilhelm
Registriert seit: 05.01.2008
Ort: BY, Opf.
Beiträge: 4.511
Standard





Never change a running system - never run a changed system!
techniker ist offline   Privat Nachricht senden Mit Zitat antworten
Alt 19.04.2010, 20:10   #14
mariuspyonline

Gold-Mitglied
hat dieses Thema eröffnet
 
Benutzerbild von mariuspyonline
 
Name: Marius
Registriert seit: 27.07.2009
Ort: Mulhouse
Beiträge: 4.201
Standard

Unter Zahnschmerzen wie die Sau kann man halt nicht so klar denken...

Aua au au .... verdammte Spange....




mariuspyonline ist offline   Privat Nachricht senden Mit Zitat antworten
Alt 19.04.2010, 20:13   #15
techniker

Gold-Mitglied
 
Benutzerbild von techniker
 
Name: Wilhelm
Registriert seit: 05.01.2008
Ort: BY, Opf.
Beiträge: 4.511
Standard

Kenne ich - auch wenn es schon mehr als ein Jahrzehnt zurückliegt..




Never change a running system - never run a changed system!
techniker ist offline   Privat Nachricht senden Mit Zitat antworten
Alt 19.04.2010, 20:50   #16
mariuspyonline

Gold-Mitglied
hat dieses Thema eröffnet
 
Benutzerbild von mariuspyonline
 
Name: Marius
Registriert seit: 27.07.2009
Ort: Mulhouse
Beiträge: 4.201
Standard

Funktioniert bestens!




mariuspyonline ist offline   Privat Nachricht senden Mit Zitat antworten
Alt 19.04.2010, 20:52   #17
techniker

Gold-Mitglied
 
Benutzerbild von techniker
 
Name: Wilhelm
Registriert seit: 05.01.2008
Ort: BY, Opf.
Beiträge: 4.511
Standard





Never change a running system - never run a changed system!
techniker ist offline   Privat Nachricht senden Mit Zitat antworten
Antwort

Themen-Optionen
Ansicht

Forumregeln


Alle Zeitangaben in WEZ +2. Es ist jetzt 13:29 Uhr.

Powered by vBulletin® Version 3.8.11 (Deutsch)
Copyright ©2000 - 2026, Jelsoft Enterprises Ltd.