Zurück   www.sondersignalanlagen.com > Dachbalken > Hella RTK + OWS
Kennwort vergessen?

Hinweise

Antwort
 
Themen-Optionen Ansicht
Alt 06.11.2011, 18:40   #1
Einsatzleiter112

Bronze-Mitglied
 
Benutzerbild von Einsatzleiter112
 
Name: Christoph
Registriert seit: 21.10.2010
Ort: in der Nähe von Köln
Beiträge: 876
Standard RTK 6 LED Kolonnenfahrten einstellen

Hallo
Ich habe schon wieder eine Frage und die Sufu hat nichts ergeben und zwar man kann bei der RTK 6 LED ja einstellen, das es nur hinten oder vorne blitz, wie genau mache ich das?, habe es schon hier mal gelesen, allerdings ohne Erklärung.
Danke Christoph




„Wo kämen wir hin, wenn jeder sagte, wo kämen wir hin und niemand ginge, um zu sehen, wohin wir kämen, wenn wir gingen.“ (Kurt Marti)
Gruß Christoph Meine Sammlung

Geändert von Einsatzleiter112 (06.11.2011 um 18:45 Uhr).
Einsatzleiter112 ist offline   Privat Nachricht senden Mit Zitat antworten
Alt 06.11.2011, 18:52   #2
Homer Simpson

Gold-Mitglied
 
Benutzerbild von Homer Simpson
 
Name: Florian
Registriert seit: 06.09.2009
Ort: Dortmund
Beiträge: 2.791
Standard

http://sosi.myds.me/forum/showthread...fahrten&page=2

Ab Post 31, wenn man in die SuFu Kolonnenfahrten eingibt erscheit das übrigens als 1 bzw. als 2. Ergebnis.




Gehen sie weiter, weiter! Hier gibt's nichts zu sehen. Nur ein kleiner Unfall. Was? Tja, was soll ich machen? Der Typ nennt das Posting.
Homer Simpson ist offline   Privat Nachricht senden Mit Zitat antworten
Alt 06.11.2011, 18:56   #3
Einsatzleiter112

Bronze-Mitglied
hat dieses Thema eröffnet
 
Benutzerbild von Einsatzleiter112
 
Name: Christoph
Registriert seit: 21.10.2010
Ort: in der Nähe von Köln
Beiträge: 876
Standard

Zitat:
Zitat von Homer Simpson Beitrag anzeigen
http://sosi.myds.me/forum/showthread...fahrten&page=2

Ab Post 31, wenn man in die SuFu Kolonnenfahrten eingibt erscheit das übrigens als 1 bzw. als 2. Ergebnis.
Danke, habe wohl nach dem Falschen gesucht, kannst du mir noch sagen ob ich da + oder- drauf geben muss?




„Wo kämen wir hin, wenn jeder sagte, wo kämen wir hin und niemand ginge, um zu sehen, wohin wir kämen, wenn wir gingen.“ (Kurt Marti)
Gruß Christoph Meine Sammlung
Einsatzleiter112 ist offline   Privat Nachricht senden Mit Zitat antworten
Alt 06.11.2011, 18:59   #4
Homer Simpson

Gold-Mitglied
 
Benutzerbild von Homer Simpson
 
Name: Florian
Registriert seit: 06.09.2009
Ort: Dortmund
Beiträge: 2.791
Standard

Sollte genau wie bei den Blitzmustern Plus sein.




Gehen sie weiter, weiter! Hier gibt's nichts zu sehen. Nur ein kleiner Unfall. Was? Tja, was soll ich machen? Der Typ nennt das Posting.
Homer Simpson ist offline   Privat Nachricht senden Mit Zitat antworten
Alt 06.11.2011, 19:00   #5
Einsatzleiter112

Bronze-Mitglied
hat dieses Thema eröffnet
 
Benutzerbild von Einsatzleiter112
 
Name: Christoph
Registriert seit: 21.10.2010
Ort: in der Nähe von Köln
Beiträge: 876
Standard

Zitat:
Zitat von Homer Simpson Beitrag anzeigen
Sollte genau wie bei den Blitzmustern Plus sein.
Danke, dann probiere ich es mal




„Wo kämen wir hin, wenn jeder sagte, wo kämen wir hin und niemand ginge, um zu sehen, wohin wir kämen, wenn wir gingen.“ (Kurt Marti)
Gruß Christoph Meine Sammlung
Einsatzleiter112 ist offline   Privat Nachricht senden Mit Zitat antworten
Alt 06.11.2011, 19:41   #6
Peter

Administrator
 
Benutzerbild von Peter
 
Name: Peter
Registriert seit: 31.10.2003
Ort: Nickenich
Beiträge: 9.315
Standard

Zitat:
Zitat von Einsatzleiter112 Beitrag anzeigen
Danke, dann probiere ich es mal
Dann mach bei der Gelegenheit auch bitte mal ein kurzes Video davon.




˙˙˙uǝɟnɐʞ ʎɐqƎ ıǝq ɹnʇɐʇsɐʇ ǝuıǝ ɹǝpǝıʍ ǝıu ǝpɹǝʍ ɥɔI
Peter ist offline   Privat Nachricht senden Mit Zitat antworten
Alt 06.11.2011, 20:25   #7
Einsatzleiter112

Bronze-Mitglied
hat dieses Thema eröffnet
 
Benutzerbild von Einsatzleiter112
 
Name: Christoph
Registriert seit: 21.10.2010
Ort: in der Nähe von Köln
Beiträge: 876
Standard

Zitat:
Zitat von Peter Beitrag anzeigen
Dann mach bei der Gelegenheit auch bitte mal ein kurzes Video davon.
Mache ich, ich kann nur noch nicht sagen wann, mir ist das Material ausgegangen, ich mache aber auf jeden Fall eins.




„Wo kämen wir hin, wenn jeder sagte, wo kämen wir hin und niemand ginge, um zu sehen, wohin wir kämen, wenn wir gingen.“ (Kurt Marti)
Gruß Christoph Meine Sammlung
Einsatzleiter112 ist offline   Privat Nachricht senden Mit Zitat antworten
Alt 21.11.2011, 20:42   #8
Einsatzleiter112

Bronze-Mitglied
hat dieses Thema eröffnet
 
Benutzerbild von Einsatzleiter112
 
Name: Christoph
Registriert seit: 21.10.2010
Ort: in der Nähe von Köln
Beiträge: 876
Standard

Zitat:
Zitat von Peter Beitrag anzeigen
Dann mach bei der Gelegenheit auch bitte mal ein kurzes Video davon.
Hier ist es




„Wo kämen wir hin, wenn jeder sagte, wo kämen wir hin und niemand ginge, um zu sehen, wohin wir kämen, wenn wir gingen.“ (Kurt Marti)
Gruß Christoph Meine Sammlung
Einsatzleiter112 ist offline   Privat Nachricht senden Mit Zitat antworten
Alt 21.11.2011, 20:44   #9
mariuspyonline

Gold-Mitglied
 
Benutzerbild von mariuspyonline
 
Name: Marius
Registriert seit: 27.07.2009
Ort: Mulhouse
Beiträge: 4.204
Standard

Zitat:
Zitat von Einsatzleiter112 Beitrag anzeigen
Hier ist es
Das Video ist Privat. Wieder nur Profis am Werk...




mariuspyonline ist offline   Privat Nachricht senden Mit Zitat antworten
Alt 21.11.2011, 20:48   #10
Einsatzleiter112

Bronze-Mitglied
hat dieses Thema eröffnet
 
Benutzerbild von Einsatzleiter112
 
Name: Christoph
Registriert seit: 21.10.2010
Ort: in der Nähe von Köln
Beiträge: 876
Standard

Zitat:
Zitat von mariuspyonline Beitrag anzeigen
Das Video ist Privat. Wieder nur Profis am Werk...
Jetzt kann man es aber sehen




„Wo kämen wir hin, wenn jeder sagte, wo kämen wir hin und niemand ginge, um zu sehen, wohin wir kämen, wenn wir gingen.“ (Kurt Marti)
Gruß Christoph Meine Sammlung
Einsatzleiter112 ist offline   Privat Nachricht senden Mit Zitat antworten
Alt 21.11.2011, 20:58   #11
Diethelm

Gold-Mitglied
 
Benutzerbild von Diethelm
 
Name: Diethelm
Registriert seit: 13.10.2008
Ort: Bottrop
Beiträge: 3.944
Standard

Zitat:
Zitat von Einsatzleiter112 Beitrag anzeigen
Hier ist es


Und hier ist das Vorbild für diesen künstlerisch wertvollen Experimentalfilm.




"Was einer nicht öffentlich tun darf, soll er auch nicht heimlich tun." (Friedrich der Schöne von Österreich, 1286 bis 1330)
Diethelm ist offline   Privat Nachricht senden Mit Zitat antworten
Alt 21.11.2011, 21:09   #12
fritz graupe

Gold-Mitglied
 
Benutzerbild von fritz graupe
 
Name: Peter Nr. 13
Registriert seit: 10.11.2003
Ort: Moers
Beiträge: 3.084
Standard

Blair Witch LED Project.




alarmieren bis ich Stopp sage.
fritz graupe ist offline   Privat Nachricht senden Mit Zitat antworten
Alt 21.11.2011, 21:37   #13
Einsatzleiter112

Bronze-Mitglied
hat dieses Thema eröffnet
 
Benutzerbild von Einsatzleiter112
 
Name: Christoph
Registriert seit: 21.10.2010
Ort: in der Nähe von Köln
Beiträge: 876
Standard

Zitat:
Zitat von Diethelm Beitrag anzeigen
Und hier ist das Vorbild für diesen künstlerisch wertvollen Experimentalfilm.
Tut mir leid wegen der schlechten Qualität, meine Kamera ist leider kaputt und so musste ich das Handy nehmen




„Wo kämen wir hin, wenn jeder sagte, wo kämen wir hin und niemand ginge, um zu sehen, wohin wir kämen, wenn wir gingen.“ (Kurt Marti)
Gruß Christoph Meine Sammlung
Einsatzleiter112 ist offline   Privat Nachricht senden Mit Zitat antworten
Alt 21.11.2011, 21:57   #14
Diethelm

Gold-Mitglied
 
Benutzerbild von Diethelm
 
Name: Diethelm
Registriert seit: 13.10.2008
Ort: Bottrop
Beiträge: 3.944
Standard

Zitat:
Zitat von Einsatzleiter112 Beitrag anzeigen
Tut mir leid wegen der schlechten Qualität, meine Kamera ist leider kaputt und so musste ich das Handy nehmen
Das ist einer der Gründe, warum ich mich zunehmend nach der Zeit zurück sehne, in der man mit einem Telefon nur telefonieren konnte.




"Was einer nicht öffentlich tun darf, soll er auch nicht heimlich tun." (Friedrich der Schöne von Österreich, 1286 bis 1330)
Diethelm ist offline   Privat Nachricht senden Mit Zitat antworten
Alt 21.11.2011, 22:09   #15
Homer Simpson

Gold-Mitglied
 
Benutzerbild von Homer Simpson
 
Name: Florian
Registriert seit: 06.09.2009
Ort: Dortmund
Beiträge: 2.791
Standard

Ist mal schön zu sehen, ich war ehrlich gesagt immer zu faul die Anlange auf zu machen und das zu Verkabeln
Wenn das jetzt noch nen bisschen besser von der Quali wäre ...



Zitat:
Zitat von Diethelm Beitrag anzeigen
Das ist einer der Gründe, warum ich mich zunehmend nach der Zeit zurück sehne, in der man mit einem Telefon nur telefonieren konnte.
Wie, man kann mit seinem Smartphone auch telefonieren ?????? Das muss ein besonderes Feature oder ein "Bug" sein.




Gehen sie weiter, weiter! Hier gibt's nichts zu sehen. Nur ein kleiner Unfall. Was? Tja, was soll ich machen? Der Typ nennt das Posting.
Homer Simpson ist offline   Privat Nachricht senden Mit Zitat antworten
Alt 21.11.2011, 22:34   #16
Yannic-Paderborn

Gold-Mitglied
 
Name: Yannic
Registriert seit: 18.10.2008
Ort: Halle (Westf.)
Beiträge: 3.246
Standard

Zitat:
Zitat von Homer Simpson Beitrag anzeigen
Das muss ein besonderes Feature oder ein "Bug" sein.

It's not a Bug! It's a Feature!
Yannic-Paderborn ist offline   Privat Nachricht senden Mit Zitat antworten
Alt 21.11.2011, 22:37   #17
fritz graupe

Gold-Mitglied
 
Benutzerbild von fritz graupe
 
Name: Peter Nr. 13
Registriert seit: 10.11.2003
Ort: Moers
Beiträge: 3.084
Standard

Zitat:
Zitat von Diethelm Beitrag anzeigen
Das ist einer der Gründe, warum ich mich zunehmend nach der Zeit zurück sehne, in der man mit einem Telefon nur telefonieren konnte.
Jetzt tu mal nicht so Diet, du hast doch nur ein Münz-Handy.




alarmieren bis ich Stopp sage.
fritz graupe ist offline   Privat Nachricht senden Mit Zitat antworten
Alt 21.11.2011, 23:11   #18
Jango112

Moderator
 
Benutzerbild von Jango112
 
Name: Jan
Registriert seit: 13.11.2007
Ort: Ostfriesland
Beiträge: 6.643
Standard

Christoph, magst du bitte eine Art idiotensicheres Tutorial schreiben?

Dass man sich die Anleitung zum Sektionalbetrieb nicht aus zig Threads zusammen suchen muss.




"Das Problem bei Zitaten aus dem Internet ist, dass man nie weiß, ob sie auch echt sind."
Galileo Galilei (1638)

Moderator schreibt orange.
Jango112 ist offline   Privat Nachricht senden Mit Zitat antworten
Alt 22.11.2011, 17:30   #19
Einsatzleiter112

Bronze-Mitglied
hat dieses Thema eröffnet
 
Benutzerbild von Einsatzleiter112
 
Name: Christoph
Registriert seit: 21.10.2010
Ort: in der Nähe von Köln
Beiträge: 876
Standard

Zitat:
Zitat von Jango112 Beitrag anzeigen
Christoph, magst du bitte eine Art idiotensicheres Tutorial schreiben?

Dass man sich die Anleitung zum Sektionalbetrieb nicht aus zig Threads zusammen suchen muss.
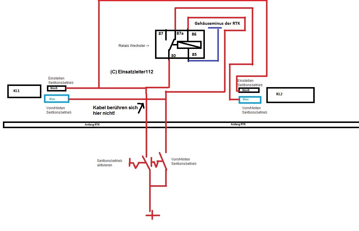
Klar doch, hier erst mal ein Schaltplan, Anleitung kommt später
Miniaturansicht angehängter Grafiken
Klicke auf die Grafik für eine größere Ansicht

Name:	Selektionsbetrieb der RTK 6 SL LED.jpg
Hits:	1324
Größe:	97,6 KB
ID:	12933  




„Wo kämen wir hin, wenn jeder sagte, wo kämen wir hin und niemand ginge, um zu sehen, wohin wir kämen, wenn wir gingen.“ (Kurt Marti)
Gruß Christoph Meine Sammlung
Einsatzleiter112 ist offline   Privat Nachricht senden Mit Zitat antworten
Alt 22.11.2011, 18:23   #20
Einsatzleiter112

Bronze-Mitglied
hat dieses Thema eröffnet
 
Benutzerbild von Einsatzleiter112
 
Name: Christoph
Registriert seit: 21.10.2010
Ort: in der Nähe von Köln
Beiträge: 876
Standard Anleitung Selektionsbetrieb

Nun die Anleitung
  • Plus zu 2 Schaltern
  • S1 Selektionsbetrieb
  • S2 Vorne/Hinten

Anschluss S1:
Geschaltetes Plus zu
  • Weiß KL1
  • Weiß KL2
  • KL 30 Wechselrelais
Anschluss S2:
Geschaltetes Plus zu
Anschluss Relais: (Das rot gekennzeichnete wurde oben schon aufgeführt)
  • KL30 Plus S1
  • KL86 Plus S2
  • KL 85 Masse (Kann man vom Gehäuse nehmen)
  • KL87a weiß KL2
Nun zur Erklärung:
Durch betätigen von S1 bekommt Weiß bei KL1 Plus und Weiß und Blau bei KL2 plus = es blinkt nur vorne. [Das Relais ist wichtig, da es sonst einmal vorne und hinten blinken würde (hatte ich schon), da beide KLs die gleiche Steuerung haben und nicht gleich in der RTK sitzen, also sie sitzen so: <[_RTK6_]> und nicht so
<[_RTK6_]< oder so >[_RTK6_]>.] Nun zurück zur Schaltung, betätigt man S2 bekommt Blau KL1 Plus, das Relais zieht an, und trennt Blau von KL2 vom Plus = es blinkt hinten.
Ich hoffe ich konnte euch helfen.




„Wo kämen wir hin, wenn jeder sagte, wo kämen wir hin und niemand ginge, um zu sehen, wohin wir kämen, wenn wir gingen.“ (Kurt Marti)
Gruß Christoph Meine Sammlung
Einsatzleiter112 ist offline   Privat Nachricht senden Mit Zitat antworten
Antwort


Forumregeln


Alle Zeitangaben in WEZ +2. Es ist jetzt 18:46 Uhr.

Powered by vBulletin® Version 3.8.11 (Deutsch)
Copyright ©2000 - 2026, Jelsoft Enterprises Ltd.