Zurück   www.sondersignalanlagen.com > Signalanlagen > Hella, Hänsch, W&G, Pintsch-Bamag & Bosch
Kennwort vergessen?

Hinweise

Antwort
 
Themen-Optionen Ansicht
Alt 16.01.2019, 23:35   #1
drkbza

Forum-Mitglied
 
Registriert seit: 24.12.2018
Beiträge: 8
Frage Schaltung Hänsch 620

Servus zusammen,
Ich brüte mit einem Kollegen über einen Schaltplan einer 620er Anlage.
Das Problem: Wir sind beide keine Elektriker, haben zwar auf Google versucht, uns einzulesen, aber sind da nicht weit gekommen oder zu doof dafür. In sofern Asche auf mein Haupt, dass wir hier so bescheuerte Fragen stellen.

Zunächst: Der Plan. Der Plan ist eine Sondersignalanlage mit einem Balken und vier Frontblitzern an die 620 anzuschließen. Da die Frontblitzer pro Blitzer bis zu 2,25 A ziehen, kommt es leider nicht in Frage, die Blitzer direkt an die 620 an den Pin 11 anzuschließen. Pin 32 wird vom Balken belegt sein.
Als sinnvollstes scheint es uns daher, über den Pin 11 ein Relais anzusteuern, welches dann - so unsere Theorie - die Frontblitzer schalten sollte.

Jetzt unsere elektrotechnisch unbedarfte Frage: Würde folgendes Relais in Frage Kommen: https://www.autodoc.de/hella/7558137 ?

Nach der Logik müssten wir ja das aus dem Pin 11 Kommende + an die 85 schließen, die 86 und 87 an die Masse und die 30 ans Dauerplus - mit einer 10A Sicherung davor. Ergibt das so Sinn? Würdet ihr andere Ausgänge nehmen als den Pin 11? Oder ist das so dermaßen grober Blödsinn, dass ihr meint, wir sollen besser die Finger davon lassen?
Ich wünsche euch allen einen zauberhaften Abend, liebe Grüße!
drkbza ist offline   Privat Nachricht senden Mit Zitat antworten
Alt 16.01.2019, 23:45   #2
chspandl

Silber-Mitglied
 
Registriert seit: 28.03.2007
Beiträge: 1.695
Standard

Ich gehe mal davon aus, das Pin 11 Dauerplus ausgibt (weiß ich nicht, kenne die 620 nicht)

Das Relais würde prinzipiell gehen.

Wenn Ihr an Klemme 30 Dauerplus über Sicherung anschließt und direkt an 87 Masse, gibt das einen Kurzschluss sobald das Relais anzieht und die Sicherung fliegt. Dazwischen müssen noch die Frontblitzer.

Anschluss wäre dann folgendermaßen

Masse an Relais Klemme 85
das von Pin 11 kommende + Signal auf Relais Klemme 86
Dauerplus über Sicherung an Relais Klemme 30
Frontblitzer (+) Leitung an Relais Klemme 87
Frntblitzer (-) an Masse
chspandl ist offline   Privat Nachricht senden Mit Zitat antworten
Alt 16.01.2019, 23:57   #3
drkbza

Forum-Mitglied
hat dieses Thema eröffnet
 
Registriert seit: 24.12.2018
Beiträge: 8
Standard

Zitat:
Zitat von chspandl Beitrag anzeigen
Ich gehe mal davon aus, das Pin 11 Dauerplus ausgibt (weiß ich nicht, kenne die 620 nicht)
Jepp, tut es, also nach Schaltung auf Kennleuchten ein. Die Maximale Belastung ist 5A, ich nehme an, die Schaltung des Relais zieht garnicht mal so viel?

Und touché, dass die Frontblitzer dazwischen müssen ist natürlich logisch http://sosi.myds.me/forum/images/smilies/i15.gif - Shame on my head!
drkbza ist offline   Privat Nachricht senden Mit Zitat antworten
Alt 17.01.2019, 19:26   #4
drkbza

Forum-Mitglied
hat dieses Thema eröffnet
 
Registriert seit: 24.12.2018
Beiträge: 8
Standard

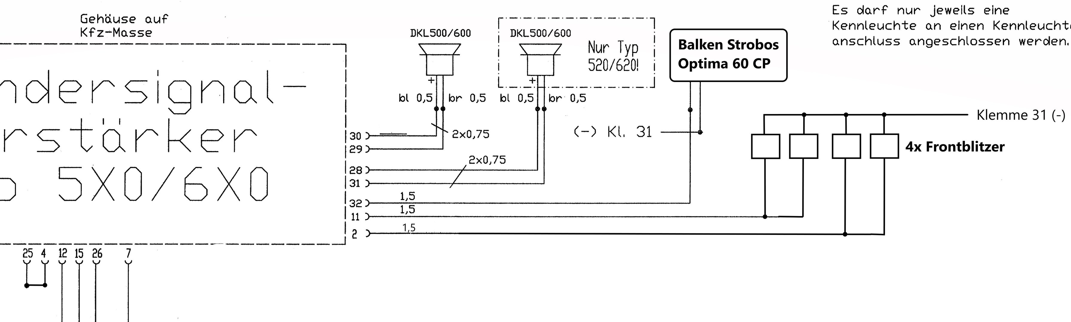
Noch mal ne andere Idee, um um das Relais drum herum zu kommen.

Der Verstärker bietet ja auch eine optionale Hinterleuchtung für den Verbau im Balken, die maximal 5A ziehen darf.

Theoretisch müsste ich doch auch hieran zwei Frontblitzer und an den Kennleuchtenausgang für die rechte Kennleuchte die anderen zwei anschließen können, sofern ich den "Einschaltpin" (4) für die Hinterleuchtung auf das Signal des Kennleuchtenkontrollausgang von links lege, oder? Hänsch sagt zwar, dass pro Kennleuchtenausgang nur eine Kennleuchte angeschlossen werden darf - macht es da ein Problem, eine zweite anzuschließen?

Anbei mal eine Grafik (ja, ich habe den Hänschen Schaltplan zermurkst)

Erklärung:
Pin 25 - Kennleuchtenkontrollausgang, +
Pin 4 - Hinterleuchtung "Ein"-Eingang, +
Pin 2 - Ausgang für die Hinterleuchtung
Pin 11 - Kennleuchtenanschluss rechts

Was sagen die Hänsch-Experten des Forums - machbar oder nicht?
Miniaturansicht angehängter Grafiken
Klicke auf die Grafik für eine größere Ansicht

Name:	rsz_1unbenannt.jpg
Hits:	5071
Größe:	289,0 KB
ID:	25778  

Geändert von drkbza (17.01.2019 um 19:35 Uhr).
drkbza ist offline   Privat Nachricht senden Mit Zitat antworten
Alt 17.01.2019, 21:41   #5
SK1904

Bronze-Mitglied
 
Benutzerbild von SK1904
 
Name: Sebastian
Registriert seit: 12.08.2014
Ort: Hof
Beiträge: 157
Standard

Welcher Balken soll denn damit betrieben werden? Ist das ganze Geschütz im Straßenverkehr unterwegs?




Und Morgen mit dem gleichen Fleiße geht's weiter mit der gleichen Scheiße..
SK1904 ist offline   Privat Nachricht senden Mit Zitat antworten
Alt 18.01.2019, 12:37   #6
drkbza

Forum-Mitglied
hat dieses Thema eröffnet
 
Registriert seit: 24.12.2018
Beiträge: 8
Standard Jepp..

Jau, das ganze wird geplant als Quad. Leider mit sehr wenig Platz, da da noch eine Ladeerhaltung verbaut werden soll etc. In sofern ist der Plan halt, möglichst viel Platz zu sparen - und so klein ein Relais auch ist - es bedeutet mehr Platzverbrauch. Zulassungstechnisch dann vermutlich aber lieber mit Relais arbeiten?

Als Balken kommt ein Strobos Optima 60 CP drauf (Polnisches Fabrikat, Ehrenamt -> Kein Geld für Hänsch, Hella & Co.) -> Stromaufnahme 3A, das Passt vom Verstärker.
Als Frontblitzer würden vier L200 von 911Signal verbaut werden.

Der Einbau wird vom Händler durchgeführt. Uns ist die Planung des SoSis und der Bau des benötigten Kabelbaumes in die Hand gegeben worden (ob das so eine gute Idee war, ist die andere Frage...)

Geändert von drkbza (18.01.2019 um 12:50 Uhr).
drkbza ist offline   Privat Nachricht senden Mit Zitat antworten
Alt 19.01.2019, 20:09   #7
SK1904

Bronze-Mitglied
 
Benutzerbild von SK1904
 
Name: Sebastian
Registriert seit: 12.08.2014
Ort: Hof
Beiträge: 157
Standard

Um die Funktion "Frontblitzer ein" nur möglich wenn "Blaulicht ein" zu realisieren, kommst Du meiner Ansicht nach nicht um ein Relais rum.




Und Morgen mit dem gleichen Fleiße geht's weiter mit der gleichen Scheiße..
SK1904 ist offline   Privat Nachricht senden Mit Zitat antworten
Alt 19.01.2019, 20:24   #8
RKLsammler

Silber-Mitglied
 
Benutzerbild von RKLsammler
 
Name: Matthias
Registriert seit: 25.02.2013
Beiträge: 1.277
Standard

Müssen denn die Frontblitzer extra abschaltbar sein? Wenn nicht, schließt die doch einfach an den zweiten Kennleuchtenausgang an, ohne Relais oder sonstiges. Die "2,25 A pro Blitzer" sind ja nicht dauerhaft, sondern immer nur ganz kurzzeitig. Das sollte das interne Relais in der 620 schon aushalten.

Ich würde mir eher Gedanken machen, ob der Balken für die KÜ nicht zu wenig Last ist?
RKLsammler ist gerade online   Privat Nachricht senden Mit Zitat antworten
Alt 20.01.2019, 00:51   #9
drkbza

Forum-Mitglied
hat dieses Thema eröffnet
 
Registriert seit: 24.12.2018
Beiträge: 8
Standard

Danke für die Antworten!
Der Plan war von vorneherein, die Frontblitzer nicht abschaltbar zu realisieren -> Schalter sparen, außerdem ist das Fahrzeug so klein, da sollte es schon leuchten... Wie oben beschrieben - die Theorie war, zwei an den zweiten Kennleuchtenausgang und zwei an den Hinterleuchtungsausgang der 620er. Aber wie gesagt - wenn keine Zulassung, dann ist das Thema vom Tisch. Darf denn mehr als eine Kennleuchte an den zweiten Kennleuchtenausgang angeschlossen sein? Oder anders gefragt - kräht da ein Hahn nach? Wäre doof, wenn dann doch mal ein Versicherungsfall eintrifft, und die Versicherung wegen so einer Lapallie nicht zahlt.

Jau, aber 2,25 A x 4 = 9A, der Ausgang ist auf 5A ausgelegt. Wenn die Paarweise alternieren, wie geplant, müssten es "Theoretisch" ja nur 4,5A zugleich maximal sein, aber ich möchte mich auf diese Theorie nicht verlassen (Wäre unschön, wenn der Verstärker sich mitsamt Fahrzeug in Rauch auflöst, nur weil wir ein Relais sparen wollten).

Ich denke mal, dass wir auf ein externes Relais ausweichen. Hätte gehofft, dass man da irgendwie drumher kommt, aber wad muss, das muss. Ich warte jetzt mal auf die Antwort der Fa. 911 - Die 2,25A sind nur grob berechnet, die Website gibt leider nur die Wattzahl (und auch nicht, ob das nur einer oder ein Paar schluckt). Hoffe, ich habe da Montag vernünftige Infos zu.

Geändert von drkbza (20.01.2019 um 00:54 Uhr).
drkbza ist offline   Privat Nachricht senden Mit Zitat antworten
Alt 20.01.2019, 01:18   #10
RKLsammler

Silber-Mitglied
 
Benutzerbild von RKLsammler
 
Name: Matthias
Registriert seit: 25.02.2013
Beiträge: 1.277
Standard

Wo hast du denn die 2,25A her? Das wären dann ja 27W pro Blitzmodul... (und das auch nur maximal, nicht dauerhaft)

Wenn man beispielsweise die MS6 hernimmt, haben diese eine Nominalleistung von 13,8W (sprich 1,15A). Die L200 werden sicher nicht deutlich mehr nehmen.

Das "pro Ausgang nur eine KL" hat weniger mit der Zulassung der Anlage zu tun als mit dem maximalen Strom des Ausgangs. Würde man da z.B. eine Doppelblitzleuchte anschließen, nimmt die je nach Modell kurzzeitig auch über 5A auf.
In Rauch auflösen wird sich da nichts, da 1.) die KL-Ausgänge laut Plan kurzschlussfest sind, und 2.) der Versorgungseingang für die KL (Pin 22) dementsprechend abgesichert werden muss (7,5A bei einer KL, 15A bei zwei)

Habt Ihr denn schon getestet, ob der Balken alleine reicht, um die FÜ zu schalten? Nicht dass das ganze Projekt genau daran scheitert...
RKLsammler ist gerade online   Privat Nachricht senden Mit Zitat antworten
Alt 21.01.2019, 20:04   #11
drkbza

Forum-Mitglied
hat dieses Thema eröffnet
 
Registriert seit: 24.12.2018
Beiträge: 8
Standard

Zitat:
Zitat von RKLsammler Beitrag anzeigen
Wo hast du denn die 2,25A her? Das wären dann ja 27W pro Blitzmodul... (und das auch nur maximal, nicht dauerhaft)
Jepp, die Website behauptet, 27W max. -> Wobei das auch ein Übersetzungsfehler von mir sein kann, ich warte noch auf die Antwort aus Frankreich. (http://www.911signal.com/LED-Strobe-...lighthead.html) Und ich weiß nicht, ob die damit ein Paar meinen oder eine einzelne. Erschien mir aber auch schon viel, wenn der Balken "nur" 3A aufnimmt...

Zitat:
Zitat von RKLsammler Beitrag anzeigen
Das "pro Ausgang nur eine KL" hat weniger mit der Zulassung der Anlage zu tun als mit dem maximalen Strom des Ausgangs. Würde man da z.B. eine Doppelblitzleuchte anschließen, nimmt die je nach Modell kurzzeitig auch über 5A auf.
Wie gesagt, wenn das zulässig wäre, dann würde das vermutlich die eleganteste Lösung sein.

Zitat:
Zitat von RKLsammler Beitrag anzeigen
Habt Ihr denn schon getestet, ob der Balken alleine reicht, um die FÜ zu schalten? Nicht dass das ganze Projekt genau daran scheitert...
Das wird nächste Woche Freitag ausgetestet - der Kabelbaum muss erstmal gebastelt werden
drkbza ist offline   Privat Nachricht senden Mit Zitat antworten
Alt 22.01.2019, 11:51   #12
drkbza

Forum-Mitglied
hat dieses Thema eröffnet
 
Registriert seit: 24.12.2018
Beiträge: 8
Standard

So, die Aufnahme pro Frontblitzer beträgt tatsächlich nur 1,5A. Heißt, drei an den Ausgang der rechten Kennleuchte und einen zusätzlich zum Balken an den linken Ausgang müsste zumindest rechnerisch aufgehen. Was sagen die Fachleute?
drkbza ist offline   Privat Nachricht senden Mit Zitat antworten
Antwort


Forumregeln


Alle Zeitangaben in WEZ +2. Es ist jetzt 10:44 Uhr.

Powered by vBulletin® Version 3.8.11 (Deutsch)
Copyright ©2000 - 2025, Jelsoft Enterprises Ltd.