Zurück   www.sondersignalanlagen.com > Sammlungen > Unsere Sammlungen > Benno
Kennwort vergessen?

Hinweise

Antwort
 
Themen-Optionen Ansicht
Alt 05.04.2023, 19:32   #81
Mars Light

Gold-Mitglied
 
Benutzerbild von Mars Light
 
Name: Steve
Registriert seit: 11.01.2010
Beiträge: 5.797
Standard

Wie lauten die Modellbezeichnungen der möglichen Controller? Dann schau ich mich mal um.
Mars Light ist offline   Privat Nachricht senden Mit Zitat antworten
Alt 05.04.2023, 20:30   #82
Benno

Gold-Mitglied
hat dieses Thema eröffnet
 
Benutzerbild von Benno
 
Registriert seit: 03.10.2008
Ort: in der Raubkammer / Lüneburger Heide, Nds.
Beiträge: 3.154
Standard

Zitat:
Zitat von Mars Light Beitrag anzeigen
Wie lauten die Modellbezeichnungen der möglichen Controller? Dann schau ich mich mal um.
Die genaue Modelbezeichnung ist mir nicht bekannt.
In den Texten die ich kenne wird immer nur von "control box" oder "attractive control head" gesprochen. Auf diesen Katalogseiten ist auch, die einzige mir bekannte Abbildung von so einem NightProbe Controller.

Name:  code3cat011 (3).jpg
Hits: 7527
Größe:  46,8 KB

Das einzige in der Richtung, was ich bisher finden konnte war eine "normale" Switchbox aus der Zeit/Baureihe.
Aber auch direkt auf dieser Switchbox steht keine Modelnummer drauf.




Mien Opa hett jümmers seggt: Besoopen geit wedder wech, Beschüert blifft!
Sammlungsübersicht
Benno ist offline   Privat Nachricht senden Mit Zitat antworten
Alt 20.04.2023, 17:53   #83
Benno

Gold-Mitglied
hat dieses Thema eröffnet
 
Benutzerbild von Benno
 
Registriert seit: 03.10.2008
Ort: in der Raubkammer / Lüneburger Heide, Nds.
Beiträge: 3.154
Standard

So, und jetzt weiter mit dem Controller.

Habe mir jetzt mal ein paar Schalter besorgt:
Klicke auf die Grafik für eine größere Ansicht

Name:	IMG_5241a.jpg
Hits:	7062
Größe:	487,4 KB
ID:	28424

Als "Hauptschalter" (ganz links) hätte ich gerne einen mit der "Schaltfolge" Aus-Ein-Ein gehabt, wie er auch von Code 3 seinerzeit in der Schalterbox verbaut wurde.
Da ich aber keinen finden konnte muss ich wohl vorerst mit einem Ein-Aus-Ein vorlieb nehmen.

Falls also einer eine Idee hat (oder gar weiß) wo man einen solchen Aus-Ein-Ein Schalter bekommen kann - immer raus damit!




Mien Opa hett jümmers seggt: Besoopen geit wedder wech, Beschüert blifft!
Sammlungsübersicht
Benno ist offline   Privat Nachricht senden Mit Zitat antworten
Alt 20.04.2023, 21:00   #84
Benno

Gold-Mitglied
hat dieses Thema eröffnet
 
Benutzerbild von Benno
 
Registriert seit: 03.10.2008
Ort: in der Raubkammer / Lüneburger Heide, Nds.
Beiträge: 3.154
Standard

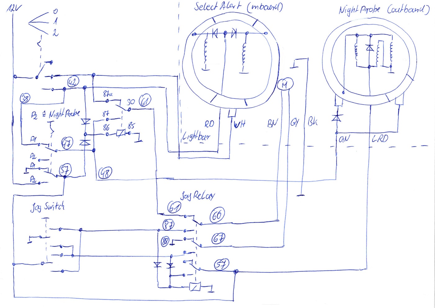
Und der Vollständigkeit halber hier noch die (vorläufige) Verschaltung die ich mir, mangels gesicherter Informationen, aus den Fingern gesaugt habe.
Klicke auf die Grafik für eine größere Ansicht

Name:	Code3 SD SelectAlert + NightProbe deluxea.jpg
Hits:	6966
Größe:	250,8 KB
ID:	28425

Die Ansteuerung der Inneren Dreher gefällt mir (wie gesagt) noch nicht so richtig - mal schauen ob ich beim verkabeln noch eine gute habe.




Mien Opa hett jümmers seggt: Besoopen geit wedder wech, Beschüert blifft!
Sammlungsübersicht
Benno ist offline   Privat Nachricht senden Mit Zitat antworten
Alt 21.04.2023, 07:35   #85
Mars Light

Gold-Mitglied
 
Benutzerbild von Mars Light
 
Name: Steve
Registriert seit: 11.01.2010
Beiträge: 5.797
Standard

Könnte man so einen Controller auch selbst bauen?
Schalter, Relais, Gehäuse usw gibt es.
Eine Platine ist sicherlich auch herstellbar, wenn auch einfach.
Mars Light ist offline   Privat Nachricht senden Mit Zitat antworten
Alt 21.04.2023, 09:44   #86
Benno

Gold-Mitglied
hat dieses Thema eröffnet
 
Benutzerbild von Benno
 
Registriert seit: 03.10.2008
Ort: in der Raubkammer / Lüneburger Heide, Nds.
Beiträge: 3.154
Standard

Zitat:
Zitat von Mars Light Beitrag anzeigen
Könnte man so einen Controller auch selbst bauen? ...
Bin ich ja bei bzw. ich versuche es!

Zitat:
Zitat von Mars Light Beitrag anzeigen
... Schalter, Relais, Gehäuse usw gibt es. ...
Dis auf das/ein Gehäuse habe ich jetzt alles zusammen um einen ersten "Prototypen" zu bauen.
Gehäuse würde ich versuchen, nach Vorlage der Switchbox, selber zu bauen.

Zitat:
Zitat von Mars Light Beitrag anzeigen
... Eine Platine ist sicherlich auch herstellbar, wenn auch einfach.
Könnte man sicherlich drüber nachdenken, wenn man genau wüßte wie die Schaltung aussieht. Aber zum einen habe ich da keinerlei Plan von und zum anderen bin ich im Stadium des rumprobierens mit ner "fliegenden" Verdrahtung etwas flexibler.




Mien Opa hett jümmers seggt: Besoopen geit wedder wech, Beschüert blifft!
Sammlungsübersicht
Benno ist offline   Privat Nachricht senden Mit Zitat antworten
Alt 21.04.2023, 13:51   #87
Mars Light

Gold-Mitglied
 
Benutzerbild von Mars Light
 
Name: Steve
Registriert seit: 11.01.2010
Beiträge: 5.797
Standard

Wir haben hier doch einige Profis für Schaltplatinen.
Mars Light ist offline   Privat Nachricht senden Mit Zitat antworten
Alt 23.04.2023, 01:01   #88
SaschaUE

Silber-Mitglied
 
Benutzerbild von SaschaUE
 
Name: Sascha
Registriert seit: 13.03.2009
Ort: Schleswig-Holstein
Beiträge: 1.177
Standard

Cooles Projekt.

Denke auch, eine fliegende Verdrahtung ist am besten. So hast Du erstmal alle Möglichkeiten und kannst rumprobieren und relativ einfach was ändern.
Eine Platine wäre dann ggf. was für später.
SaschaUE ist offline   Privat Nachricht senden Mit Zitat antworten
Alt 12.06.2023, 18:27   #89
Benno

Gold-Mitglied
hat dieses Thema eröffnet
 
Benutzerbild von Benno
 
Registriert seit: 03.10.2008
Ort: in der Raubkammer / Lüneburger Heide, Nds.
Beiträge: 3.154
Standard

Habe jetzt mal mit dem Gehäuseunterteil angefangen und probeweise mal die Schalter und Kontrollleuchten montiert:
Klicke auf die Grafik für eine größere Ansicht

Name:	IMG_5687a.jpg
Hits:	7056
Größe:	321,6 KB
ID:	28620

Die Abmessungen und die Positionen der Schalter/Kontrollleuchten habe ich von der Schalterbox abgenommen - soll ja schon so wie das original Aussehen (zumindest ist das der Plan).

Klicke auf die Grafik für eine größere Ansicht

Name:	IMG_5688a.jpg
Hits:	6982
Größe:	368,8 KB
ID:	28621
Ich hätte gerne die Taster (liegend) zum Drehen des NightProbe außen und die Schalter (Stehend) zum aktivieren des NightProbe innen gehabt (wie es auch auf dem Katalog Foto den Anschein hat) - das passt so aber noch nicht ganz. Deshalb ist die ein Hälfte wie es am besten passt und die andere wie ich es gerne hätte.

Die Schalter kommen sich (stehend) mit den weißen sowie der innere Taster (liegend) mit der roten&gelben Kontrollleuchten in die quere.

Klicke auf die Grafik für eine größere Ansicht

Name:	IMG_5690a.jpg
Hits:	7002
Größe:	396,6 KB
ID:	28622
Sieht zwar im direkten Vergleich schon recht passend aus, aber da werde ich wohl hier und dort nochmal den ein oder anderen Millimeter verschieben.




Mien Opa hett jümmers seggt: Besoopen geit wedder wech, Beschüert blifft!
Sammlungsübersicht
Benno ist offline   Privat Nachricht senden Mit Zitat antworten
Alt 12.06.2023, 19:04   #90
Mars Light

Gold-Mitglied
 
Benutzerbild von Mars Light
 
Name: Steve
Registriert seit: 11.01.2010
Beiträge: 5.797
Standard

Und dann schwarz lacken?
Mars Light ist offline   Privat Nachricht senden Mit Zitat antworten
Alt 12.06.2023, 19:12   #91
Benno

Gold-Mitglied
hat dieses Thema eröffnet
 
Benutzerbild von Benno
 
Registriert seit: 03.10.2008
Ort: in der Raubkammer / Lüneburger Heide, Nds.
Beiträge: 3.154
Standard

Zitat:
Zitat von Mars Light Beitrag anzeigen
Und dann schwarz lacken?
Ja, das Gehäuse würde ich in schwarz seidenmatt lackieren.

Bei der Front bin ich noch am überlegen ob/wie man das mit der (durch)leuchtenden Beschriftung nachbauen könnte. Ansonsten würde ich da, um die originale Oberfläche nachzuahmen, Kunststoffstrukturlack in schwarz nehmen.




Mien Opa hett jümmers seggt: Besoopen geit wedder wech, Beschüert blifft!
Sammlungsübersicht
Benno ist offline   Privat Nachricht senden Mit Zitat antworten
Alt 12.06.2023, 20:18   #92
SaschaUE

Silber-Mitglied
 
Benutzerbild von SaschaUE
 
Name: Sascha
Registriert seit: 13.03.2009
Ort: Schleswig-Holstein
Beiträge: 1.177
Standard

Schöner Fortschritt!
Sieht schon sehr originalgetreu aus.
SaschaUE ist offline   Privat Nachricht senden Mit Zitat antworten
Alt 12.06.2023, 20:44   #93
Mars Light

Gold-Mitglied
 
Benutzerbild von Mars Light
 
Name: Steve
Registriert seit: 11.01.2010
Beiträge: 5.797
Standard

Es bleibt definitiv spannend.
Mars Light ist offline   Privat Nachricht senden Mit Zitat antworten
Alt 16.06.2023, 11:34   #94
Benno

Gold-Mitglied
hat dieses Thema eröffnet
 
Benutzerbild von Benno
 
Registriert seit: 03.10.2008
Ort: in der Raubkammer / Lüneburger Heide, Nds.
Beiträge: 3.154
Standard

Mit leicht geänderten/angepassten Abständen passt das jetzt so wie ich mir das vorgestellt hatte.
Klicke auf die Grafik für eine größere Ansicht

Name:	IMG_5706a.jpg
Hits:	7050
Größe:	208,8 KB
ID:	28627

Und um neben dem Gehäuse auch am Versuchsaufbau arbeiten zu können nutze ich das Probestück erstmal als Platzhalter und habe mal angefangen die Schalter zu verkabeln.
Klicke auf die Grafik für eine größere Ansicht

Name:	IMG_5704a.jpg
Hits:	7014
Größe:	379,2 KB
ID:	28628

Das eine oder andere Kabel kann sicherlich kürzer (als direkte Brücke von Schalter zu Schalter) ausgeführt werden aber zum rumprobieren ist das so erstmal praktischer.

Mal schauen ob der Platz reicht um da alles unterzubringen - das könnte glaube ich eng werden.




Mien Opa hett jümmers seggt: Besoopen geit wedder wech, Beschüert blifft!
Sammlungsübersicht
Benno ist offline   Privat Nachricht senden Mit Zitat antworten
Alt 16.06.2023, 15:40   #95
Mars Light

Gold-Mitglied
 
Benutzerbild von Mars Light
 
Name: Steve
Registriert seit: 11.01.2010
Beiträge: 5.797
Standard

Willst du noch Relais einbauen?
Mars Light ist offline   Privat Nachricht senden Mit Zitat antworten
Alt 17.06.2023, 09:35   #96
Benno

Gold-Mitglied
hat dieses Thema eröffnet
 
Benutzerbild von Benno
 
Registriert seit: 03.10.2008
Ort: in der Raubkammer / Lüneburger Heide, Nds.
Beiträge: 3.154
Standard

Zitat:
Zitat von Mars Light Beitrag anzeigen
Willst du noch Relais einbauen?
Ja, Relais müßen da auch noch rein.
Zum Sicherstellen der Funktionen sind mindestens 4 Relais erforderlich.
- eins je Seite zum Entkoppeln der Motoransteuerung SelectAlert - NightProbe
- eins je Seite für die Steuerung der deluxe Funktion beim NightProbe

Zusätzlich würde ich das gerne so bauen, das die Leuchten des Inneren Dreher bei aktiviertem NightProbe nicht dauerhaft an sind, sondern je nach aktivierter Funktion nur nach hinten (SelectAlert) oder nach vorne&hinten (Beacon-Mode) blinken.
Dafür kämen dann je Seite nochmal ein Relais und ein Blinkgeber dazu.


Wobei ich nicht sagen kann, wie das im original war oder ob sie damals noch eine separate Relaisbox verbaut haben.
Über den Aufbau/die Funktionsweise des NightProbe-Controller scheint es keine Informationen zu geben - zumindest ist nichts zu finden. Weder Dokumente noch Zeitzeugen.




Mien Opa hett jümmers seggt: Besoopen geit wedder wech, Beschüert blifft!
Sammlungsübersicht
Benno ist offline   Privat Nachricht senden Mit Zitat antworten
Alt 17.06.2023, 10:42   #97
Mars Light

Gold-Mitglied
 
Benutzerbild von Mars Light
 
Name: Steve
Registriert seit: 11.01.2010
Beiträge: 5.797
Standard

Respekt für die Arbeit. Das klingt nach viel Kabelsalat in der kleinen Box.
Mars Light ist offline   Privat Nachricht senden Mit Zitat antworten
Alt 18.06.2023, 12:44   #98
Benno

Gold-Mitglied
hat dieses Thema eröffnet
 
Benutzerbild von Benno
 
Registriert seit: 03.10.2008
Ort: in der Raubkammer / Lüneburger Heide, Nds.
Beiträge: 3.154
Standard

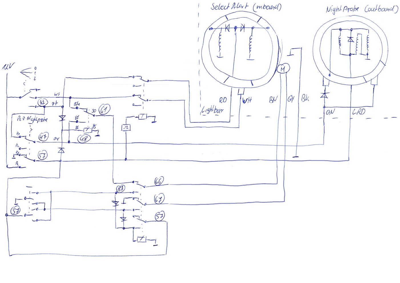
Hier mal der aktuelle Zwischenstand der Verschaltung des Controller:
Klicke auf die Grafik für eine größere Ansicht

Name:	SA+NP entwurfa.jpg
Hits:	7029
Größe:	219,7 KB
ID:	28629
(nur für eine Seite und noch ohne Kontrollleuchten und Sicherungen)

Das gilt es nun testweise mal zu verkabeln und dann schauen wir weiter.




Mien Opa hett jümmers seggt: Besoopen geit wedder wech, Beschüert blifft!
Sammlungsübersicht
Benno ist offline   Privat Nachricht senden Mit Zitat antworten
Alt 18.06.2023, 12:49   #99
SaschaUE

Silber-Mitglied
 
Benutzerbild von SaschaUE
 
Name: Sascha
Registriert seit: 13.03.2009
Ort: Schleswig-Holstein
Beiträge: 1.177
Standard

Sehr viel Arbeit aber es lohnt sich.
Es macht aber auch viel Spaß dabei zuzusehen wie sich das Projekt entwickelt.
SaschaUE ist offline   Privat Nachricht senden Mit Zitat antworten
Alt 18.06.2023, 13:04   #100
Mars Light

Gold-Mitglied
 
Benutzerbild von Mars Light
 
Name: Steve
Registriert seit: 11.01.2010
Beiträge: 5.797
Standard

Ab dann gehen bei Thorsten die Controller in Serie
Mars Light ist offline   Privat Nachricht senden Mit Zitat antworten
Antwort


Forumregeln


Alle Zeitangaben in WEZ +2. Es ist jetzt 02:22 Uhr.

Powered by vBulletin® Version 3.8.11 (Deutsch)
Copyright ©2000 - 2025, Jelsoft Enterprises Ltd.