Zurück   www.sondersignalanlagen.com > Dachbalken > Wandel & Goltermann / Pintsch Bamag
Kennwort vergessen?

Hinweise

Antwort
 
Themen-Optionen Ansicht
Alt 05.09.2013, 00:39   #1
Helge

Forum-Mitglied
 
Registriert seit: 26.07.2009
Beiträge: 15
Standard "Springlicht" deaktivieren, TOPas + K-BT110

Hallo zusammen,
ich möchte bei einem VW Touran das "Springlicht" (intermittierende Scheinwerfer) deaktivieren. Das Fahrzeug (Bj. 2008) wurde original von VW ausgerüstet. Dachbalken TOPas und Bedienteil K-BT 110.
Wo wird das Steuersignal für die Scheinwerferaufschaltung abgenommen?

Wäre schön, wenn mir jemand einen Tip geben könnte.

Besten Dank vorab




Gruß Helge
Helge ist offline   Privat Nachricht senden Mit Zitat antworten
Alt 05.09.2013, 18:39   #2
Morpheuz

Bronze-Mitglied
 
Registriert seit: 03.01.2008
Ort: dehemm ;-)
Beiträge: 323
Standard

Zu VW fahren oder jemand der VCDS besitzt und im Steuergerät den Haken wegmachen Da brauchste in der Regel nichts an der Verkabelung zu ändern




- Wir machen den Weg frei...nicht die Bank...
Morpheuz ist offline   Privat Nachricht senden Mit Zitat antworten
Alt 05.09.2013, 19:17   #3
pppman

Forum-Mitglied
 
Registriert seit: 23.07.2008
Beiträge: 49
Standard

Helge, wo kommst du her? Ich codiere dir das raus.
pppman ist offline   Privat Nachricht senden Mit Zitat antworten
Alt 05.09.2013, 20:00   #4
diemelbecker

Gold-Mitglied
 
Benutzerbild von diemelbecker
 
Name: Niklas
Registriert seit: 07.09.2012
Ort: Melbeck
Beiträge: 2.548
Standard

Zitat:
Zitat von pppman Beitrag anzeigen
Helge, wo kommst du her? Ich codiere dir das raus.
Siehe Mitgiederkarte!




125 Jahre Freiwillige Feuerwehr Melbeck
diemelbecker ist offline   Privat Nachricht senden Mit Zitat antworten
Alt 05.09.2013, 23:21   #5
Helge

Forum-Mitglied
hat dieses Thema eröffnet
 
Registriert seit: 26.07.2009
Beiträge: 15
Standard

Danke für die Hinweise.

Die nächste VW-Werkstatt ist gleich neben der FTZ (LK Peine). Dann werde ich da mal hinfahren.

Würde mich aber trotzdem interessieren wo das Signal abgenommen wird. Aus der Beschreibung/Schaltplan des BT kann ich die Info leider nicht entnehmen.




Gruß Helge
Helge ist offline   Privat Nachricht senden Mit Zitat antworten
Alt 05.09.2013, 23:34   #6
Blaulicht05

Gold-Mitglied
 
Benutzerbild von Blaulicht05
 
Registriert seit: 17.12.2006
Beiträge: 6.630
Standard

Läuft über das Multifunktionssteuergerät für die Sondereinbauten. Darüber wird z.B. auch die MWS gesteuert. Kann ganz einfach rauscodiert werden.
Warum möchtest du das deaktivieren?
Abblendlicht, Fernlicht oder Nebelscheinwerfer?
Blaulicht05 ist offline   Privat Nachricht senden Mit Zitat antworten
Alt 06.09.2013, 09:49   #7
Helge

Forum-Mitglied
hat dieses Thema eröffnet
 
Registriert seit: 26.07.2009
Beiträge: 15
Standard

Das Springlicht soll deaktiviert werden, weil es für die Feuerwehren bei uns nicht erlaubt ist.




Gruß Helge
Helge ist offline   Privat Nachricht senden Mit Zitat antworten
Alt 06.09.2013, 17:54   #8
Blaulicht05

Gold-Mitglied
 
Benutzerbild von Blaulicht05
 
Registriert seit: 17.12.2006
Beiträge: 6.630
Standard

Habt ihr mal versucht eine Ausnahmegenehmigung zu bekommen?
Ich finde das Springlicht nämlich sehr effektiv.
Blaulicht05 ist offline   Privat Nachricht senden Mit Zitat antworten
Alt 20.08.2025, 22:27   #9
LZ-1

Bronze-Mitglied
 
Benutzerbild von LZ-1
 
Name: Markus
Registriert seit: 03.01.2012
Beiträge: 488
Standard

Muss das Thema nochmal ausgraben.

Hab ein T5 mit Topas und BT121.

Neben dem Bedienteil ist ein Kippschalter mit "Springlicht" Beschriftung. Es wird vom BT das "Kennleuchte ein" Signal abgegriffen. Von dem Schalter geht es dann unter den Fahrersitz zu diesen 3 Relais (siehe Anhang)
Ein Wechselrelais und wahrscheinlich zwei Dioden..

Jedoch funktioniert diese schaltung nicht mehr.
Ich habe mir die Verkabelung der Relais mal angeschaut, aber werde da leider nicht richtig schlau draus. Hat vielleicht jemand Ahnung davon? Oder zufällig auch schon mal so eine Kombi der Relais gesehen und kann was zum Anschluss sagen?

Und was genau kann man mit VDCS deaktivieren oder aktivieren? Es gab sowas ja nie von VW ab Werk oder?
Miniaturansicht angehängter Grafiken
Klicke auf die Grafik für eine größere Ansicht

Name:	20250705_152047.jpg
Hits:	137
Größe:	501,2 KB
ID:	30430  




Star mich nicht so an, ich bin auch nur eine Signatur
LZ-1 ist offline   Privat Nachricht senden Mit Zitat antworten
Alt 26.08.2025, 14:34   #10
LZ-1

Bronze-Mitglied
 
Benutzerbild von LZ-1
 
Name: Markus
Registriert seit: 03.01.2012
Beiträge: 488
Standard

Hat keiner hier eine Info?




Star mich nicht so an, ich bin auch nur eine Signatur
LZ-1 ist offline   Privat Nachricht senden Mit Zitat antworten
Alt 02.09.2025, 11:35   #11
Alabama

Silber-Mitglied
 
Benutzerbild von Alabama
 
Name: Florian
Registriert seit: 25.07.2006
Ort: Tirschenreuth
Beiträge: 1.525
Standard

Anschluss vom Hella-Relais.

Kannst du ausbauen und testen, ob es noch arbeitet.

Die Bezeichnung der anderen beiden Relais wäre interessant, und ein Schema der Verkablung, damit man sich da reindenken kann...

Gruß
Miniaturansicht angehängter Grafiken
Klicke auf die Grafik für eine größere Ansicht

Name:	Hella Blinkgeber.jpg
Hits:	94
Größe:	22,1 KB
ID:	30442  




Alabama ist offline   Privat Nachricht senden Mit Zitat antworten
Alt 02.09.2025, 20:04   #12
LZ-1

Bronze-Mitglied
 
Benutzerbild von LZ-1
 
Name: Markus
Registriert seit: 03.01.2012
Beiträge: 488
Standard

Hier ein Bild der zwei kleinen relais..

Also eine genaue Schaltung kann ich dir nicht sagen, ich würde sagen das ist ziemlich wahlos angeklemmt...
Von den beiden kleinen relais gehen auf jeden Fall Leitungen zu den original Steckern von VW (wahrscheinlich dann rechter Scheinwerfer und linker Scheinwerfer)

Es gibt Verbindungen zwischen dem Hella Relais und den kleinen Relais, ebenso gibt es einige "Brücken" unter den kleinen Relais sowie zwischen den kleinen und den Hella Relais.
Der Schalter womit man das Springlicht einschalten kann, geht auf das Hella Relais und auf eins der kleinen (was für mich eigentlich kein Sinn macht)

Ich teste morgen mal das Hella relais auf Funktion.
Und versuche mal ob ich mit VCDS irgend eine Funktion freischalten kann...
Miniaturansicht angehängter Grafiken
Klicke auf die Grafik für eine größere Ansicht

Name:	20250814_101941.jpg
Hits:	109
Größe:	395,2 KB
ID:	30443  




Star mich nicht so an, ich bin auch nur eine Signatur
LZ-1 ist offline   Privat Nachricht senden Mit Zitat antworten
Alt 03.09.2025, 15:13   #13
LZ-1

Bronze-Mitglied
 
Benutzerbild von LZ-1
 
Name: Markus
Registriert seit: 03.01.2012
Beiträge: 488
Standard

Gerade mal das Relais geprüft. Wenn ich an + und - Spannung anlege, schaltet der Lastausgang die 12V durch und hält diese... Normalerweise müsste er ja im Takt schalten oder? Vielleicht ist ja hier schon der Fehler...


Ansonsten hier noch ein Bild der Verkabelung.. (kann ich zur Not aber auch noch mal beschriften, welche Leitung wohin geht..)
Miniaturansicht angehängter Grafiken
Klicke auf die Grafik für eine größere Ansicht

Name:	20250903_140557.jpg
Hits:	95
Größe:	502,1 KB
ID:	30444  




Star mich nicht so an, ich bin auch nur eine Signatur
LZ-1 ist offline   Privat Nachricht senden Mit Zitat antworten
Alt 04.09.2025, 11:48   #14
Alabama

Silber-Mitglied
 
Benutzerbild von Alabama
 
Name: Florian
Registriert seit: 25.07.2006
Ort: Tirschenreuth
Beiträge: 1.525
Standard

Primitiver Schaltplan:
Angehängte Dateien
Dateityp: pdf Springlichtschaltung.pdf (93,1 KB, 257x aufgerufen)




Alabama ist offline   Privat Nachricht senden Mit Zitat antworten
Alt 04.09.2025, 13:50   #15
LZ-1

Bronze-Mitglied
 
Benutzerbild von LZ-1
 
Name: Markus
Registriert seit: 03.01.2012
Beiträge: 488
Standard

Danke für den Schaltplan!

Der größte Teil stimmt von dem Schaltplan auch. Gibt nur 2-3 Verbindungen die bei mir falsch verdrahtet sind und die für mich auch überhaupt keinen Sinn machen.
Ich schaue mal ob ich das ganze umverdrahtet bekomme... Und dann melde ich mich wieder.

Nochmal die Rückfrage zu dem "Blinker universal Relais" normalerweise müsste das ja takten oder? Weil bei mir nach Anschluss der 12V diese nur durch geschaltet werden auf den Ausgang...




Star mich nicht so an, ich bin auch nur eine Signatur
LZ-1 ist offline   Privat Nachricht senden Mit Zitat antworten
Alt 04.09.2025, 19:02   #16
Sequoiadendron

Forum-Mitglied
 
Name: Alexander
Registriert seit: 27.02.2020
Beiträge: 37
Standard

Kann es sein, dass das Blinkerrelais festhängt? Klopf mal vorsichtig aus allen Richtungen dagegen oder teste mal ein anderes Relais.
Sequoiadendron ist offline   Privat Nachricht senden Mit Zitat antworten
Alt 05.09.2025, 10:02   #17
RKLsammler

Silber-Mitglied
 
Benutzerbild von RKLsammler
 
Name: Matthias
Registriert seit: 25.02.2013
Beiträge: 1.283
Standard

Wenn die Zeichnung von Alabama stimmt, dann hat das Blinkrelais ja quasi keine Last (außer die Spulen der zwei Relais). Laut Aufdruck braucht es 10W mindestens.

Versuche hier mal testweise eine 21W Glühlampe oder Ähnliches auf den 49a zu hängen, was dann passiert.
RKLsammler ist offline   Privat Nachricht senden Mit Zitat antworten
Alt 09.09.2025, 13:25   #18
A. Adam

Forum-Mitglied
 
Benutzerbild von A. Adam
 
Registriert seit: 23.04.2018
Ort: Diekhusen-Fahrstedt
Beiträge: 85
Standard

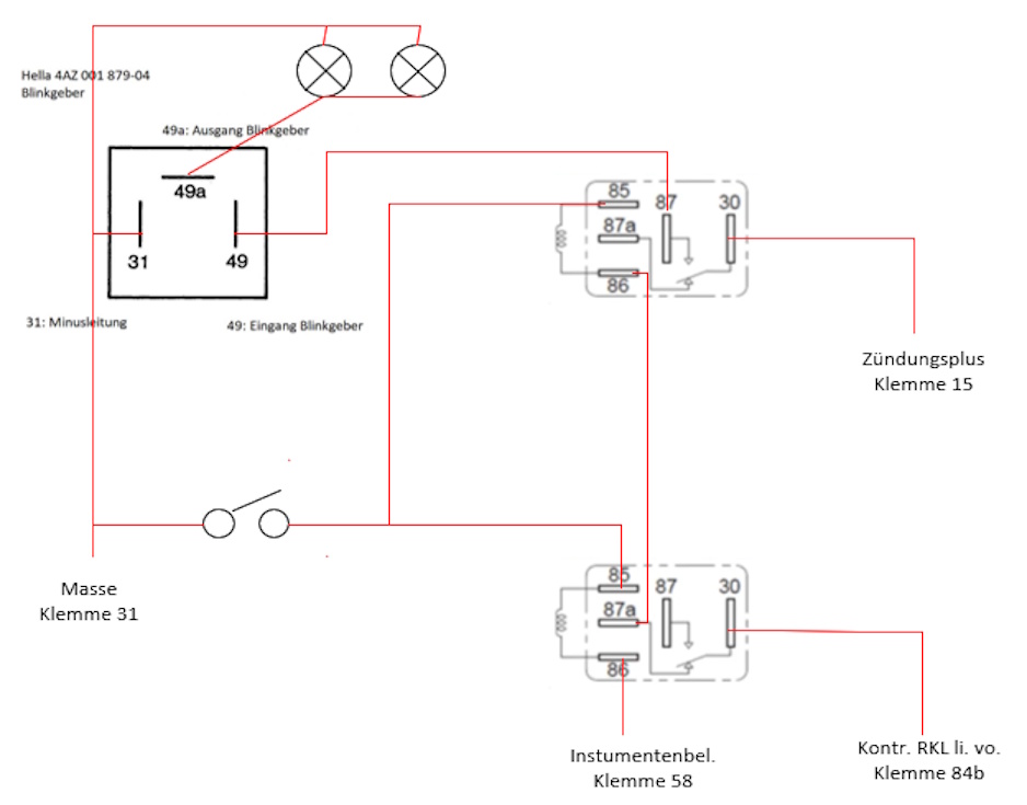
Mit VCDS wirst du da wahrscheinlich nichts finden.

Bei Alabamas Schaltplan macht es keinen Sinn, die beiden Fernscheinwerfer jeweils über ein eigenes Relais anzusteuern.

Die Fernscheinwerfer werden sicherlich beide über ein einziges Relais versorgt.
Das andere Relais wird wahrscheinlich als Trennrelais fungieren und die komplette Schaltung bei eingeschaltetem Standlicht abschalten (Nachtschaltung).

So müsste es passen:
Instrumentenbeleuchtung (Klemme 58) auf das erste NAIS Relais 86. Auf die 30 kommt die Einschaltkontrolle der vorderen linken RKL (Klemme 84b). Die 87a vom ersten NAIS Relais geht auf die 86 des zweiten NAIS Relais. Dadurch wird Springlicht abgeschaltet, sobald irgendein Fahrlicht eingeschaltet wird.
Beim Hella Blinkrelais Masse auf die 31 legen. Die 49a geht zu beiden Fernscheinwerfern.
Beim zweiten NAIS Relais Zündungsplus (Klemme 15) auf die 30 legen und 87 mit der 49 beim Hella Blinkrelais verbinden. Bei beiden NAIS Relais die 85 auf Masse legen.

Ein extra Schalter in der Leitung zwischen Einschaltkontrolle der vorderen linken RKL und der Klemme 30 des ersten NAIS Relais schaltet dann das Springlicht als Option (oder für den TÜV).
Miniaturansicht angehängter Grafiken
Klicke auf die Grafik für eine größere Ansicht

Name:	Schaltung.jpg
Hits:	93
Größe:	79,2 KB
ID:	30465  

Geändert von A. Adam (09.09.2025 um 14:38 Uhr).
A. Adam ist offline   Privat Nachricht senden Mit Zitat antworten
Alt 09.09.2025, 16:42   #19
A. Adam

Forum-Mitglied
 
Benutzerbild von A. Adam
 
Registriert seit: 23.04.2018
Ort: Diekhusen-Fahrstedt
Beiträge: 85
Standard

Noch eleganter wäre der Schalter auf der Masseseite der beiden NAIS Relais an der 85. Dann hat das Trennrelais weniger Arbeitsstunden zu leisten.
Miniaturansicht angehängter Grafiken
Klicke auf die Grafik für eine größere Ansicht

Name:	Schaltung.jpg
Hits:	80
Größe:	75,3 KB
ID:	30466  

Geändert von A. Adam (09.09.2025 um 16:49 Uhr).
A. Adam ist offline   Privat Nachricht senden Mit Zitat antworten
Alt 09.09.2025, 17:33   #20
A. Adam

Forum-Mitglied
 
Benutzerbild von A. Adam
 
Registriert seit: 23.04.2018
Ort: Diekhusen-Fahrstedt
Beiträge: 85
Standard

Ganz abenteuerlich wäre ja auch eine Schaltung denkbar, wo die Nachtschaltung wegfällt und das zweite Wechselrelais zwischen dem Fernlicht und den Nebelscheinwerfern umschaltet.
A. Adam ist offline   Privat Nachricht senden Mit Zitat antworten
Antwort


Forumregeln


Alle Zeitangaben in WEZ +2. Es ist jetzt 14:29 Uhr.

Powered by vBulletin® Version 3.8.11 (Deutsch)
Copyright ©2000 - 2026, Jelsoft Enterprises Ltd.